
Stack and Store
Summary
A product design exercise working with Baum Essex, a NYC based manufacturing company. The concept was to create a modular storage solution that can be mass produced and efficiently shipped from overseas.
Project
Modular Storage System/ Product Design Project
Role
Design Researcher/ Product Designer
Considerations
Specific requirements from Baum Essex in order to consider picking up the product for production and sale through their platform. The main focus was keeping the cost down without losing value.
Flat Packing
The product should fit together or break down in a way that it can be boxed and shipped from China without wasting any space.
Manufacturing Cost
The product should be designed using available materials that will keep the profit margins close to maximum.
Production Method
The product should be designed around the production methods without requiring new molds or new machinery. The design must also use the most efficient methods for ensuring quality.
Ideating
After a period of ideation I settled on these 5 concepts based on their ability to be easily manufactured and appeal to a very wide demographic.





Product Manufacturing Research
Exploring and evaluating the specific processes and construction techniques for the
panels and joints.
Prototyping
Medium fidelity prototyping using foam and 3D printed parts to determine scale and material as well as ease of use. I was able to find a size that the joints would support without wasting material.
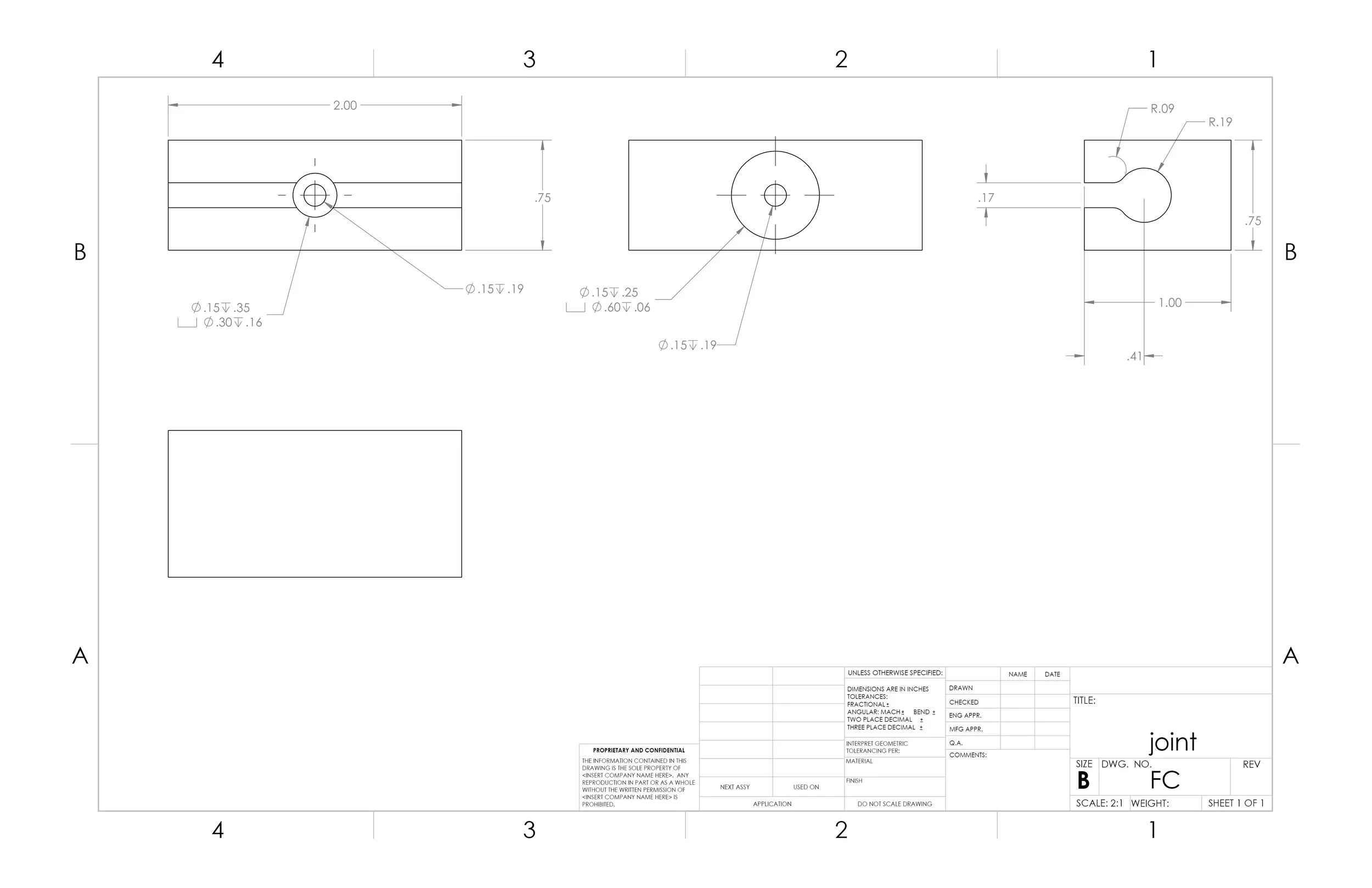
Modeling
Drafting the individual parts in Solidworks in order to provide specific dimensions to the company as well as render the final product. This process was efficient after prototyping and Solidworks testing it only required one test joint to determine tolerance.